
Complete confocal fluorescence microscope that empowers researchers to advance quantitative functional imaging from individual molecules to cells and tissues.

Modular, customizable, time-resolved confocal microscope with single-molecule sensitivity for life and materials science.

Compact FLIM and FCS upgrade kit that adds advanced functional imaging and correlation analysis to existing laser scanning microscopes.

Designed for flexible, sensitive, and precise steady-state and time-resolved spectroscopy across the UV to NIR range and time scales from picoseconds to milliseconds.

Modular lifetime spectrometer designed for flexible fluorescence and photoluminescence measurements in both materials and life science research.

Add spectral and time-resolved photoluminescence to your setup through flexible microscope–spectrometer coupling options.

Get the most out of superconducting nanowire detectors in large-scale quantum communication and computing experiments requiring precise multichannel timing.

Boost your time-resolved experiments with a flexible, high-precision time tagging and TCSPC unit for materials science and quantum sensing.

Scale your photonic quantum computing and detector characterization setups while maintaining performance, flexibility, and high data throughput.

Compact 3-color picosecond laser delivering flexible ns to ms excitation with cost-effective multicolor performance and straightforward operation.

Smart picosecond laser diode heads covering UV-A to NIR, providing the right combination of power, pulse width, and diode type for any time-resolved technique.

VisUV provides clean short pulses and stable timing across key UV and visible wavelengths, including deep UV lines as well as 488 nm and 532 nm.

Enhance your single-photon counting experiments with wide dynamic range and excellent timing precision in the UV and visible even at the highest count rates.

Capture even the weakest signals over large areas with maximum dynamic range and enhanced low-light sensitivity in a compact detector design.

Unlock spatially resolved single-photon detection with a 23-pixel SPAD array, combining low dark counts and precise time tagging for advanced experiments.

Advanced FLIM analysis software for fast, accurate interpretation of lifetime imaging data.

Intuitive, free software solution for real-time, high-precision photon data acquisition, visualization, and initial data analysis.

Advanced software for time-resolved fluorescence acquisition and analysis.

An imaging technique that uses fluorescence lifetimes to generate image contrast.

Investigating how proteins dynamically explore multiple conformational states that control biological function.

Investigating how biomolecules separate into dynamic liquid phases to organize cellular space and regulate biological function.

A time-resolved technique that measures photoluminescence lifetimes to reveal excited-state dynamics in materials.

Studying exciton dynamics, charge carrier processes, and structural properties through optical and time-resolved characterization methods.

Investigating charge-carrier lifetimes and recombination dynamics to enable precise optical characterization of material quality and device performance.

A quantum optical signature revealed by time-resolved photon correlation analysis to identify single-photon emission in materials and nanostructures.

The transmission of information using individual photons, using quantum effects to ensure absolute security.

Quantifying photons per detection event enables direct access to photon-number statistics, providing insight into quantum and statistical properties of light.

An optical technique that analyzes light emission under electrical excitation to reveal electronic properties of electroluminescent materials.

Monitoring environmental signals and trace compounds to understand dynamic changes in natural and engineered environments.

A photon timing technique that measures single-photon arrival times to resolve ultrafast dynamics in fluorescence, materials research, and quantum optics.
SymPhoTime 64 is an integrated software platform for advanced time-resolved fluorescence imaging and analysis. Designed to meet the demands of diverse research fields, it combines clear, structured workflows with powerful acquisition and processing tools. The software supports a broad range of fluorescence techniques and offers customizable analysis procedures that let users focus on scientific insight rather than data handling. Whether working with complex imaging, correlation spectroscopy, or single-molecule experiments, SymPhoTime 64 provides a flexible, future-ready environment for extracting accurate and meaningful results from time-resolved measurements.
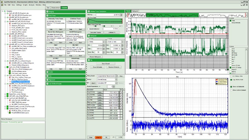
SymPhoTime 64 combines imaging, correlation, and time-trace analysis in a single software environment, enabling flexible evaluation of time-resolved fluorescence data across diverse experimental workflows.SymPhoTime 64 unifies advanced imaging, correlation, and time-trace analysis within one flexible software environment. It supports FLIM, FRET, anisotropy, and multichannel imaging, complemented by accurate decay fitting and IRF reconvolution. Its high-performance correlation engine enables FCS, FCCS, FLCS, antibunching, and correlation workflows with precise parameter extraction. Dedicated interfaces further streamline single-molecule studies, including blinking, burst analysis, lifetime traces, and PIE-FRET. Together, these capabilities provide a powerful platform for resolving dynamic processes across diverse fluorescence experiments.
Example of the dark theme GUI for low light measurements.SymPhoTime 64 combines integrated data acquisition, flexible hardware control, and extensive customization in one adaptable platform. It supports PicoQuant microscope systems, LSM Upgrade Kit, time tagging & TCSPC Electronics, and custom setups, offering synchronized multi-mode imaging and real-time previews for immediate quality assessment. Through the STUPSLANG scripting language, users can create tailored analysis routines, fitting models, and hardware extensions. This seamless compatibility with photon counting instrumentation and modular fluorescence systems enables precise, application-specific configurations for advanced research.
| Supported TCSPC modules | HydraHarp 500, PicoHarp 330, TimeHarp 260, MultiHarp 150, MultiHarp 160 |
| Supported configurations | MicroTime 200 with 100 x 100 (x 100) µm or 10x7.5 cm piezo scanner or FLIMbee galvo scanner MicroTime 100 Laser Scanning Microscopes (LSM)from Nikon, Olympus or Zeiss Stand-alone TCSPC modules Remote control via TCP/IP interface (software handshake with ZEN and NIS Elements) |
| Routing | 1 to 8 detectors |
| Measurement modes | Single point, multi-point, 2D imaging (XY, XZ, YZ), 3D imaging (XYZ), time lapse (XYT), oscilloscope mode for alignment purposes |
| Measurement previews | FLIM, FCS, FLCS and FCCS, time trace, TCSPC histogram, parallel calculation and display of up to 4 different previews |
| Automated measurements | Z–stacks, time ttacks, image stitching, multi-point measurements |
| Hardware control | PDL 828 "Sepia II" laser driver E-710, E-725, E-727 and wide range scanner controller (Physik Instrumente) Shutter of MicroTime 200 Wide-field fluorescence camera IDS uEye USB3 in MicroTime 200 |
| General features | Time gating Binning TCSPC binning TCSPC fitting (Multi–Exponential Decay (1 to 5 Exponentials), least–squares fitting, MLE fitting, IRF reconvolution, tailfit, bootstrap error analysis) Global analysis of TCSPC curve fitting GUI themes |
| Imaging | FLIM, FLIM-FRET, intensity FRET, anisotropy imaging, (time-gated) fluorescence intensity imaging Pattern matching, fast pattern matching Adjustable color scale Region-of-Interest (ROI) Bin export for phasor analysis (via third party software globals developed by the Laboratory for Fluorescence Dynamics) |
| Correlation | FCS, FCCS, FLCS, PIE–FCS STED-FCS, STED-FLCS FCS fitting (models: diffusion constants, triplet state, conformational, protonation, gaussian PSF, user-defined models via scripting, bootstrap error analysis) Global analysis FCS calibration Antibunching/coincidence correlation, total correlation |
| FRET | PIE (pulsed interleaved excitation) Bleedthrough correction FLIM-FRET |
| STED | STED, gatedSTED, STED-FLIM, pulsed interleaved STED and confocal, resolution estimation |
| Fluorescence intensity traces | Blinking (on/off histogramming), count rate histogram (PCH), burst size histogram, intensity–gated TCSPC, fluorescence lifetime traces, lifetime histogram, BIFL (burst integrated analysis) |
| Steady–state anisotropy | Objective correction factors included |
| Export data formats | BMP, ASCII, TIFF, BIN |
| User Scripting (STUPSLANG) | User–defined analysis procedures, fitting functions, multi–parameter filtering control of external hardware via suited interface |
| Required PC CPU | with SSE2 and EMT64 or AMD64 extension; recommended: quad–core or better |
| CPU clock | 2.2 GHz (or better) quad-core CPU |
| RAM | minimum 4 GB (suggested 16/32 GB) |
| Operating system | Windows 10 x64 |
| Disk space | >= 100 MB (except data storage) |
| Display(s) | Full HD Display |
| Protection Module (HASP) | USB |
All Information given here is reliable to our best knowledge. However, no responsibility is assumed for possible inaccuracies or omissions. Specifications and external appearances are subject to change without notice.
SPT 64 1A | SPT 64 1 | SPT 64 2 | SPT 64 1+2 | SPT 64 1+2+3 | |
| Direct data acquisition in TTTR mode using MultiHarp 150/160, TimeHarp 260, PicoHarp 300, PicoHarp 330 or HydraHarp 400 | |||||
| Control of Physik Instrumente scanner | |||||
| Support for Laser Scanning Microscopes (LSM) and generic scanners via external trigger signals | |||||
| STED imaging, STED-FLIM, STED-FCS | |||||
| Router support (separation of up to eight detector signals) | |||||
| Multi point measurements |
SPT 64 1A | SPT 64 1 | SPT 64 2 | SPT 64 1+2 | SPT 64 1+2+3 | |
| Time gating for all methods | |||||
| TCSPC-lifetime histogramming and fitting to exponential decay functions up to 5th order incl. tail fitting, reconvolution analysis, maximum likelihood estimation and bootstrap error analysis | |||||
| Fluorescence lifetime imaging (FLIM) incl. online-visualisation of FLIM data during the measurement, arbitrary regions of interest for analysis, maximum likelihood estimation and bitmap export | |||||
| Pattern matching, fast pattern matching | |||||
| Fluorescence correlation spectroscopy (FCS) incl. pulsed-interleaved excitation (PIE) treatment, (auto- or cross correlation) & FCS fitting with bootstrap error analysis | |||||
| Fluorescence lifetime correlation spectroscopy (FLCS) | |||||
| FCS calculation and time trace display during the measurement ("online time traces", "online-FCS") | |||||
| Total correlation | |||||
| Förster resonance energy transfer (FRET) incl. pulsed-interleaved excitation (PIE) treatment, corrections for direct excitation and bleedthough | |||||
| STED imaging, STED FLIM, gatedSTED, pulsed interleaved STED and confocal, resolution estimation | |||||
| Multi-channel scaling analysis – lifetime and intensity time traces | |||||
| Burst integrated fluorescence lifetime (BIFL) analysis | |||||
| On/off time histogramming and analysis | |||||
| Burst size histogramming | |||||
| Calculation of photon counting histogramm usable for PCH | |||||
| Generic ASCII export filter | |||||
| Scripting ("STUPSLANG") |
Combine compatible components to build a complete setup tailored to your experimental requirements and measurement workflows.
Please fill out the form below to request more information. You may also use it to inquire about pricing, availability, technical specifications, or discuss your specific application. Our sales team will be happy to review your request and get in touch with you. If additional information is needed to process your inquiry, we will let you know.
* Required
Explore complementary and alternative products within this category to compare specifications, performance, and configurations for your application.
Please fill out the form below to request more information about our products and services. You may also use it to ask for pricing, availability, technical specifications, or any other details relevant to your inquiry. Our team will be happy to review your request and get in touch with you. If additional information is needed to process your inquiry, we will let you know.
* Required
Please fill out the form below to request more information and prices about our product. Our team will be happy to review your request and get in touch with you. If additional information is needed to process your inquiry, we will let you know.
* Required